Produits
Position:Accueil >>Produits
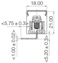
- LW2MR-13.0
-
Tension nominale(v):600
-
Courant nominal(A):40
-
Acordement nominale(m㎡):18-10
-
Couple de serrage maximum(Nm):1.2N.m 10.6Lb.in
-
Visser:Steel,M4 Ni-Plated
-
Tension de choc assigné(kv):2
-
logement:PA66+23%GF UL 94V-0
-
Couper:Brass,1.0t,Tin-Plated
-
La température ambiante:-40℃~+105℃
-
La résistance d'isolement:500MΩ/DC500V
La présentation des borniers barrières de série LW2MR-13.0:
La structure de la série LW est simple et résistant. Les mode divers:des broches à souder sont au milieu,sur le c?té , double ligne des broches,des broches à un degré d'angle de 90 ou avec une ligne de soudage à l'étain autour le trou. Ils sont au pas de 6.36, 7.62, 8.25, 9.52, 10.0, 11,0, 13.0 etc. Couverture de protection est disponible à choisir.
Donnés technique et du schéma
.jpg)

